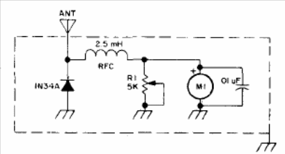
This circuit, which operates with frequency up to a few tens of megahertz, is from a 1976 publication. The antenna is telescopic, and the adjustment pot can be 4k7. The instrument can have 200 uA or 1 mA full scale.

This circuit, which operates with frequency up to a few tens of megahertz, is from a 1976 publication. The antenna is telescopic, and the adjustment pot can be 4k7. The instrument can have 200 uA or 1 mA full scale.
