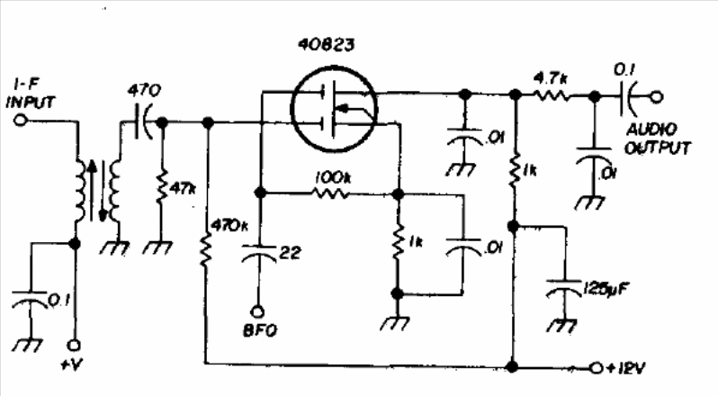
This circuit is placed after the IF of a receiver to receive SSB and CW signals. The circuit uses a double port MOSFET that admits equivalents. We found this circuit in an old publication for radio amateurs. The capacitors are ceramic, and the circuit must be connected to the audio step input of the receiver.




