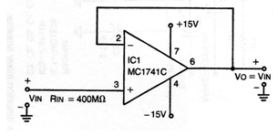
This is the traditional configuration of a voltage follower with the 741. The circuit is from an old publication and can be fed with lower voltages. In a voltage follower we have a very high input impedance, in the order of 400 M ohms and a very low output impedance. The voltage gain is 1. The circuit can operate with frequencies up to approximately 1 MHz.




