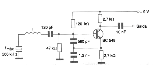
The oscillator shown in the figure can generate signals up to 500 kHz and has good stability. Coil L consists of 8 turns of wire 28 in a 0.5 cm shape with no core. Capacitors must be ceramic and there is a tolerance in both the supply voltage range and the component values. Experiments can be done with the polarization components and even with the 560 pF and 1 n2 ceramic capacitors to find the combination that gives the best results with the crystal




