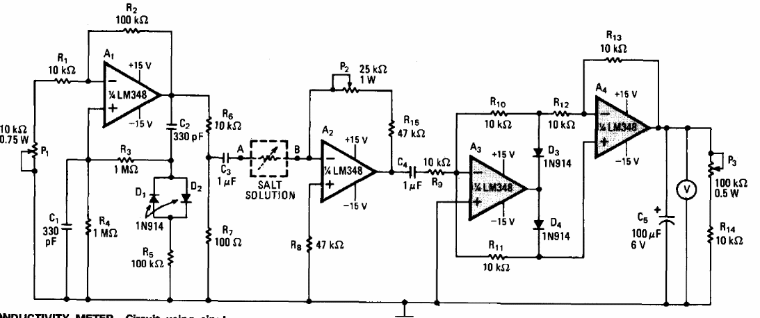
This circuit measures the conductivity of a saline solution, which is affected by the electrolysis effect. The circuit is from a 1978 publication and the voltmeter can be an ordinary or even digital multimeter. The circuit must be powered by a well-stabilized power source.




