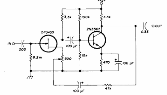
This circuit combines field effect and bipolar transistors to obtain a 20 gain with a pass band that reaches a few megahertz. The FET can be BF245 and the bipolar 2N2222. Capacitors can be changed to nearby standard values. The supply is made with a voltage of 5 V.




