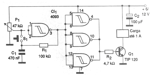
In addition to the didactic purpose, the figure circuit can also be automated. In this case, the pressure switch S1 can be replaced by a reed sensor, micro-switch or even a pendulum switch. The trigger point adjustment must be done in R1 to obtain the best circuit performance. In this case, the circuit is used to directly load a load up to 1 A. This load can be a relay, solenoid, motor or even a heating element. The type of load to be driven will determine the supply voltage of the circuit, which can be between 6 and 12 V.




