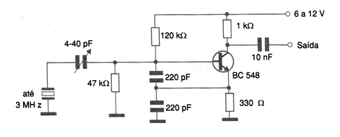
The maximum frequency of the oscillator shown in the figure is around 3 MHz. The trimmer adjusts the best oscillation point to compensate for the internal capacitances of the crystal itself. The circuit must be supplied with voltages from 6 to 12 V and all capacitors must be ceramic. Depending on the frequency of the crystal, the 220 pF capacitors must have their value changed to obtain better feedback. These components must have their values increased proportionally with lower frequencies.




