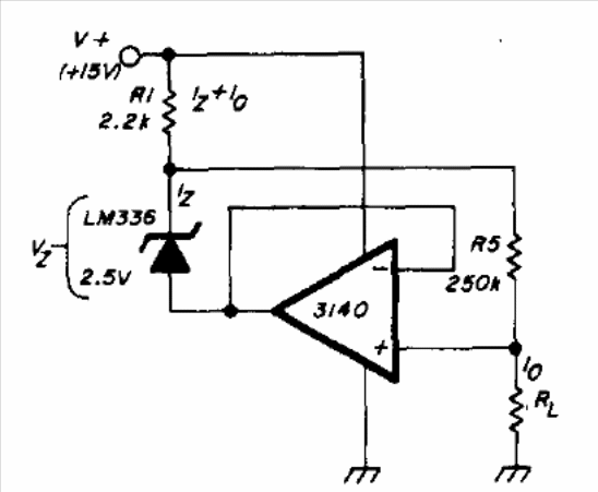
We found this circuit in a documentation for 1977 American radio amateurs. The LM336 integrated circuit is a regulator from National with a reference voltage of 2.5 V. The maximum input voltage is 15 V.

We found this circuit in a documentation for 1977 American radio amateurs. The LM336 integrated circuit is a regulator from National with a reference voltage of 2.5 V. The maximum input voltage is 15 V.
