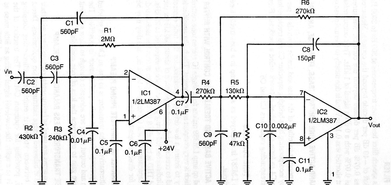
The LM387 integrated circuit used in this project is not very easy to obtain. The circuit, from an American publication from the 1970s, reinforces the frequencies between 300 and 3000 Hz that correspond to the word, making it easier to understand. The circuit is interspersed between a signal source (microphone, for example) and an amplifier. Feeding should be done with a somewhat high voltage, but consumption is low. The source must be excellent filtering and the signal cables must be shielded.




