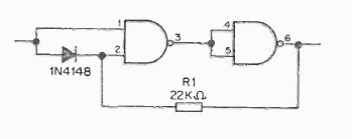
This low hysteresis circuit was obtained from old documentation. The circuit must be powered by a voltage of 5 V.
This configuration (somewhat critical, as the imbalance of characteristics between transformers can cause...
It is a simple blinker that simulates the action of an alarm when installed on the dashboard of a...
This conventional LED effects circuit uses integrated CMOS. Today we can achieve the same effects...