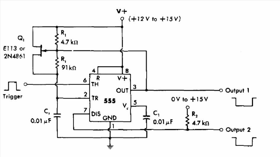
This circuit was found in a 1977 timer cookbook. The circuit can generate signals with up to 99% active cycle. The FET can be BF245 or MPF102 and the basic frequency given by R1, R2 and C1.
This circuit safely replaces common locks, since, instead of the key, the opening is made with the...
Based on operational amplifiers of the time, this circuit from the 1980s has high input impedance. The...
Sine signals are converted into square signals by this simple circuit. The maximum frequency is...