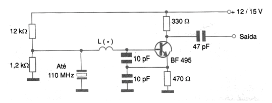
With the circuit shown in the figure it is possible to generate signals up to a frequency of 110 MHz. The L coil has its value depending on the frequency range in which the oscillator will operate, according to the following table:
Frequency Range L
60 to 85 MHz 7 turns of wire 28 in the form of 0.5 cm
85 to 110 MHz 4 turns of wire 28 in the form of o, 5 cm
The capacitors are ceramic and the resistor in parallel with the crystal has values that depend on the frequency. For the 60 to 85 MHz band it should be increased to 3k3 or even 4k7. Transistors equivalent to BF494 like BF495 and even 2N2222 can be used in this circuit.




