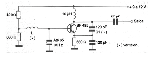
With the circuit shown in the figure it is possible to generate signals up to 65 MHz. The values of L and C1 depend on the frequency range of the signal to be generated, according to the following table:
Frequency Range/C1/L
15 to 25 MHz 100 pF 12 turns
25 to 50 MHz 56 pF 8 turns
50 to 65 MHz 27 pF 8 turns
The coils are wound in 0.5 cm shapes. The capacitors are ceramic, and the transistor can be any type of RF NPN such as BF494, BF495 or 2N2222. The supply can be made with voltages between 9 and 12 V and small changes in capacitor values may be necessary to compensate for component tolerances.




