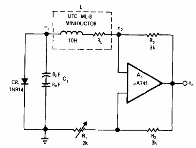
This circuit, from an American publication from 1971, generates a 25 Hz sinusoidal signal. Note the use of high value capacitors, which can be approximated to near current values and the high-value inductor which can be the primary winding of a transformer. The precision in the generated frequency depends on the components used. The power supply must be symmetrical from 6 to 12 V.




