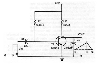
We found this circuit in an old publication from the 70s. It converts a rectangular signal into a triangular signal according to the waveforms shown in the circuit. The transistor can be a BC548 and C1 determines the discharge time. Capacitors can have their values approximate to those currently standardized.




