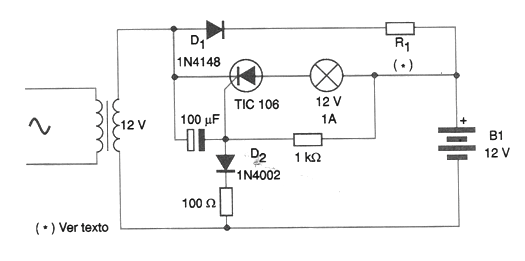
This circuit is a utility that can be implemented with few components, without anything sophisticated, but having a performance that leaves nothing to the more elaborate circuits. The figure shows a simple emergency light that uses any 12 V transformer with a current of 200 to 600 mA and a battery that can be a mode, car or Nicad. The resistor R1 will determine the load being typically between 47 ohms x 5 W (for larger batteries) to 220 ohms x 2 W (for smaller batteries). The charge is an incandescent lamp of 200 mA at 1 A, like the ones used to illuminate the interior of automobiles, but the reader can improve the project by feeding a voltage inverter for fluorescent lamp. When the mains voltage is cut, the SCR trips and the current passes through the SCR's anode / cathode lamp, winding the transformer, returning to the battery negative. The purpose of the capacitor is to prevent the circuit from firing with very rapid cuts or power grid voltage fluctuations.




