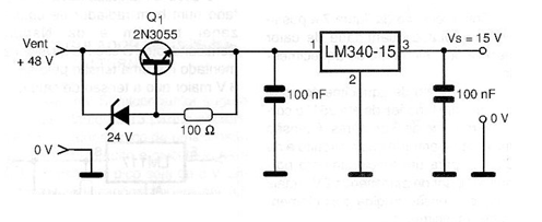
To operate with high input voltages using a 3-terminal voltage regulator like the LM340-15, we can use the circuit shown in the figure. This circuit also serves for integrated circuits that admit no more than about 25 V of input. Both the voltage regulator integrated circuit and the 2N3055 power transistor must be mounted on good heat radiators. The zener diode is 1 W. Note that in this circuit the output voltage is 15 V, but other integrated ones with different outputs can be used according to the desired application. The maximum output current of this circuit is 1.5 amps.




