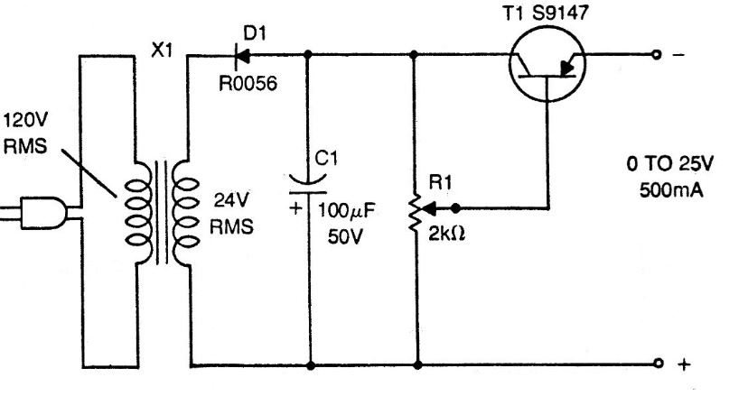
This circuit carries small batteries of Nicad that can be connected in series in number of up to 10. The batteries can be medium, small or large and the current is adjusted in the 2k2 or even 4k7 wire pot. The transistor can be the TIP32 and lower transformer secondary voltages can be used to charge a smaller amount of batteries. The circuit is from 1970s documentation. The transistor must have a heat radiator.




