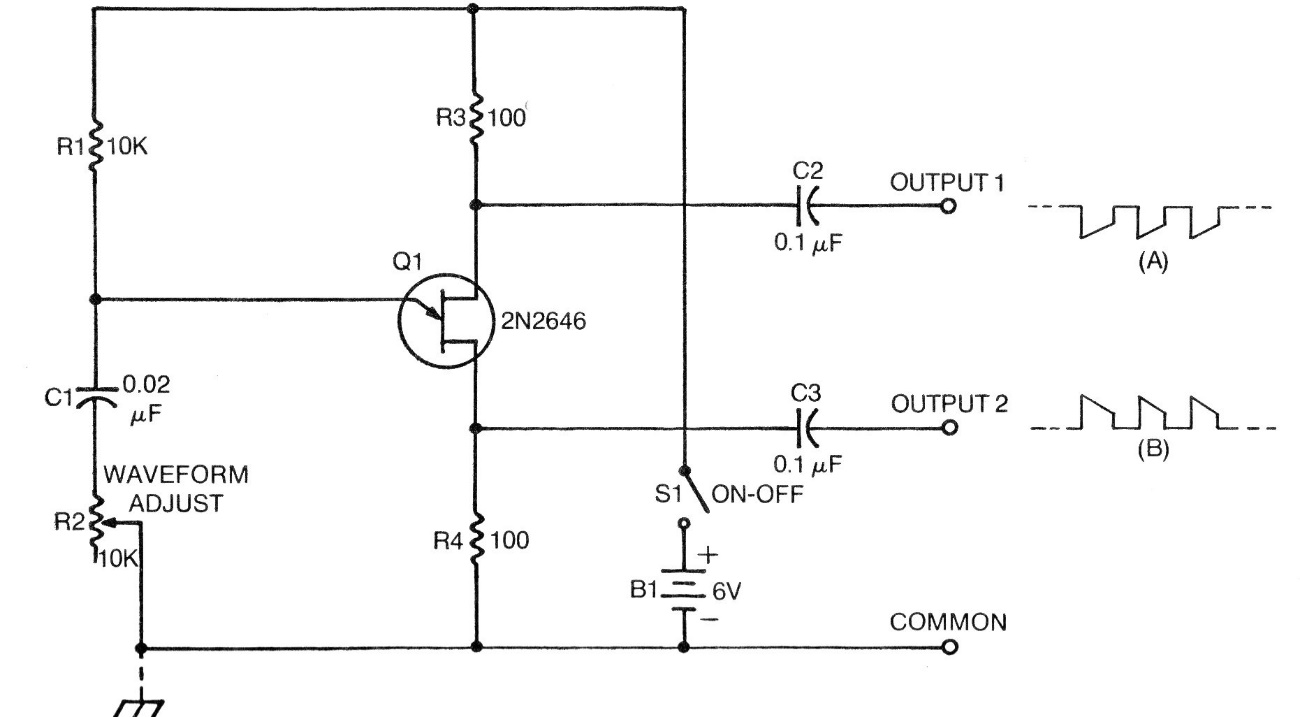
This circuit has a waveform adjustment made with a potentiometer. C1 and R1 determine the base frequency. The supply can be made with voltages from 9 to 15 V. The circuit is based on a documentation on 1976 unijunction transistors. See on the author's website how to calculate the components for other frequencies. The maximum frequency of this circuit is in the order of 100 kHz.




