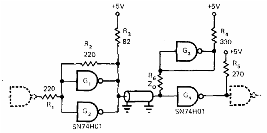
We found this circuit in a 1972 publication. The circuit is indicated for the application of TTL signals for transmission via coaxial cable. The circuit must be powered by a voltage of 5 V.
This control is intended for 110 VAC or 220 VAC Motors. Any TIC series triac can be used according the power...
This 1965 General Electric circuit uses a "Thyrector" that is a suppressor of the time. The...
The S-meter is a signal strength meter used in communication receivers. This circuit was found in...