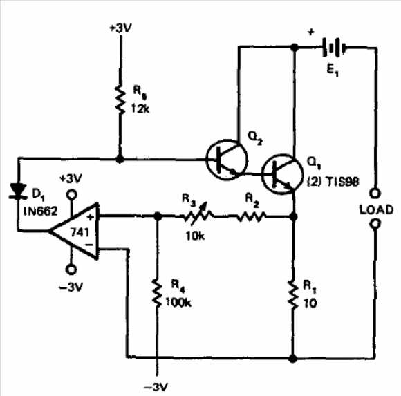
This source of constant current was obtained in an American documentation of 1973. The transistors can be the BC548 and the current has its intensity adjusted in R3. D1 diode can be a 1N4148 and the circuit can be changed to operate with other voltages. The power supply must be symmetrical.




