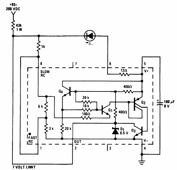
The presented circuit causes an LED to flash with voltages of 85 to 200 V continuous and has a low consumption. The base is a low-consumption IC from National Semiconductor. The blinking frequency is given by the external capacitor.
The presented circuit causes an LED to flash with voltages of 85 to 200 V continuous and has a low consumption. The base is a low-consumption IC from National Semiconductor. The blinking frequency is given by the external capacitor.