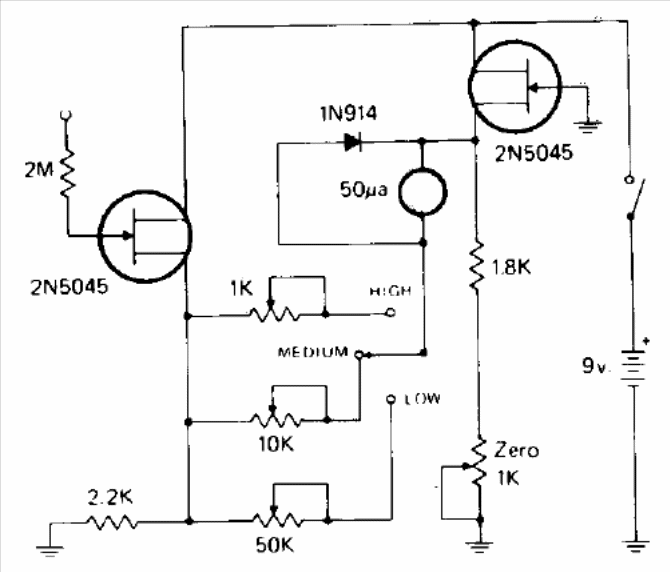
We found this circuit of extreme sensitivity in a 1974 documentation. The circuit can be assembled with more modern FETs like the BF245 and MPF102. The circuit has an input current of 500 pA for full scale. The input resistance is 1 000 Megohms. The circuit is powered by a 9 V battery. Extreme care must be taken with the layout given the sensitivity.




