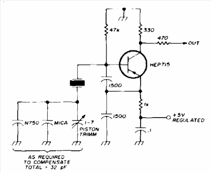
The frequency of this oscillator, found in a technical document from the 1970s, is determined by the crystal. The transistor can be BF494 or 2N2222. Capacitors must be ceramic. The maximum frequency generated depends on the characteristics of the transistor. The circuit has TTL compatible output.




