This circuit generates the busy tone of ordinary telephones. The transistors can be the BC548 and the components of the T filter and the multivibrator can be changed to obtain the exact tone.
This circuit sends its signals to short wave receivers and even FM outside stations placed nearby. As...
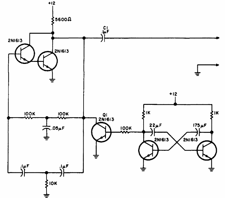
This interesting circuit of the American publication Electronics Handbook Volume XIII 1993 shows a...
In a voltage follower the gain is unitary. Input impedance is too high and output impedance too low....