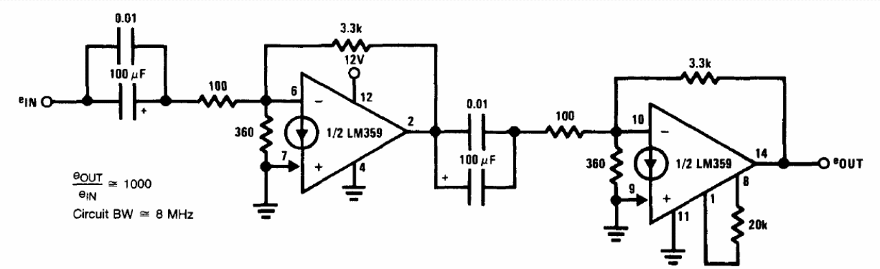
The LM359 is a Norton amplifier not common today. The presented configuration has 1000 voltage gain. The circuit is from the 1994 Linear Applications Handbook by National Semiconductor.
The LM359 is a Norton amplifier not common today. The presented configuration has 1000 voltage gain. The circuit is from the 1994 Linear Applications Handbook by National Semiconductor.