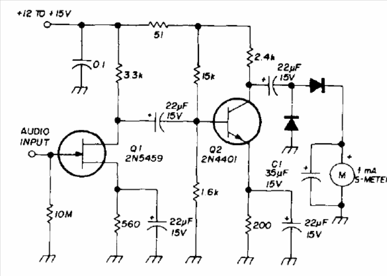
This configuration was found in a publication for radio amateurs in 1975. It is a signal strength meter for 1 mA indicators. The diodes are commonly used and the NPN transistor can be the BC548. The FET can be the BF245. The frequency response is 500 Hz to 10 kHz.




