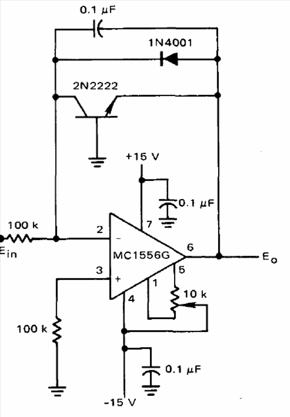
The circuit presented was found in a Motorola documentation from 19761, but it can be assembled with a more modern operational amplifier like the 741, which has an offset input for adjustment. The circuit must be powered by a symmetrical power supply.




