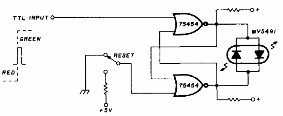
The resistors on this circuit from an American publication from the 70s are 220 ohms. The circuit captures an input pulse and locks, registering its presence. The circuit is ideal for detecting short pulses.
The resistors on this circuit from an American publication from the 70s are 220 ohms. The circuit captures an input pulse and locks, registering its presence. The circuit is ideal for detecting short pulses.