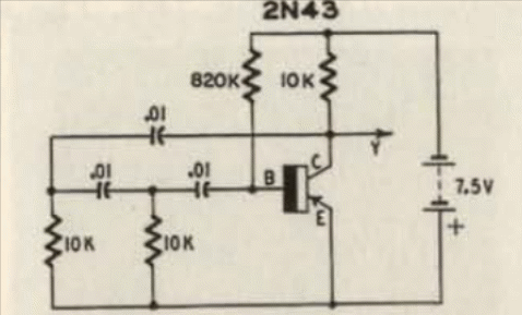
The circuit presented was found in a documentation from the 1950s, generating a sinusoidal signal that depends on the capacitors of the feedback network. The original circuit uses a germanium transistor, but it can be adapted to operate with silicon transistors. The supply voltage can also be slightly higher, up to about 9 V.




