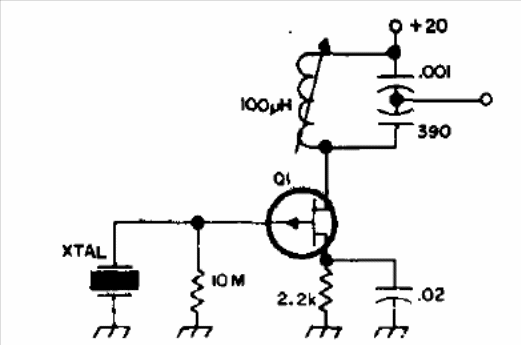
We found this oscillator in a documentation from the 70s. The FET can be MPF102 and the crystal is 1 MHz. The circuit can use crystals for other frequencies. The output is of low intensity, but it can excite power steps in the elaboration of a transmitter or another type of application.




