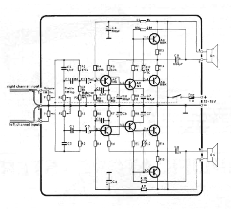
This 2.5 + 2.5 W amplifier was obtained from a 1975 Sperimentare magazine (Italian); The circuit uses germanium transistors that are difficult to obtain today, but the configuration can be changed to operate with more modern transistors.

This 2.5 + 2.5 W amplifier was obtained from a 1975 Sperimentare magazine (Italian); The circuit uses germanium transistors that are difficult to obtain today, but the configuration can be changed to operate with more modern transistors.
