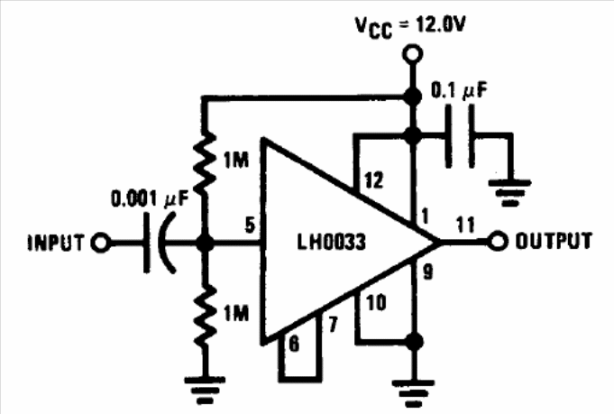
The configuration is from the 1994 Linear Applications Handbook by National Semiconductor. The circuit is valid for the LH0033 and others in the same family.
This small converter using Only one transistor was published in the Radio Electronics magazine from...
This circuit was found in a Popular Electronics of the 1990s. Its purpose is to expand the scale of...
This receiver was found in old English documentation and any general purpose NPN transistor can be...