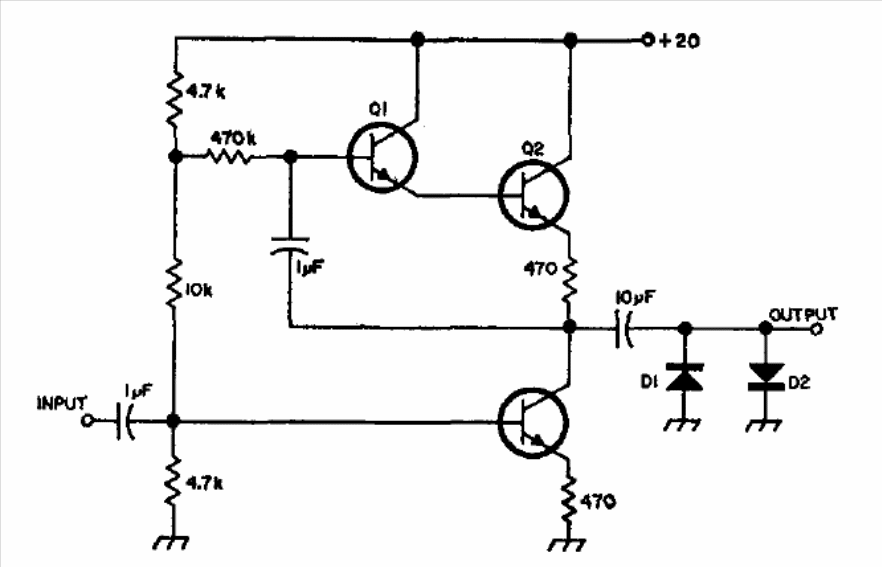
We found this configuration in a 1974 publication. Transistors can be replaced with equivalents such as 2N2222. The circuit has a dynamic range of 60 dB.
This sinusoidal oscillator was found in the 1993 Linear Interface ICs by Motorola. Other series...
This “test your nerves” game was found in old documentation. The SCR can be of any sensitive type,...
This is one of the many modulated siren versions that can be found on our website. We found it in a...