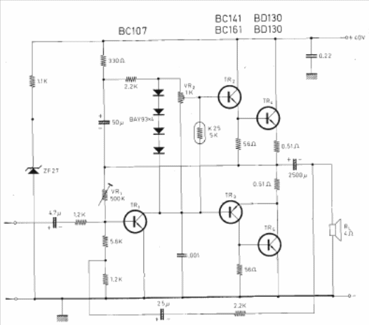
This circuit came out in a 1977 Sperimentare magazine (Italy) and can still be easily assembled today with more modern transistors such as BC547 instead of BC107 and BDs of the 135/136 series for drivers and TIPs for output transistors.

This circuit came out in a 1977 Sperimentare magazine (Italy) and can still be easily assembled today with more modern transistors such as BC547 instead of BC107 and BDs of the 135/136 series for drivers and TIPs for output transistors.
