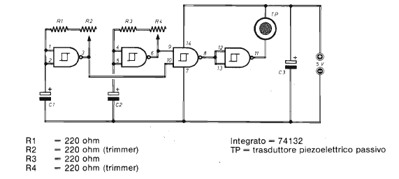
We found this circuit in a 1986 Elettronica Pratica magazine, but the components used are common. As it is a TTL circuit, the supply must be made with a voltage of 5 V. The capacitors of 100 nF for C1 and 10 uF for C2 determine the range of sounds and the effects.




