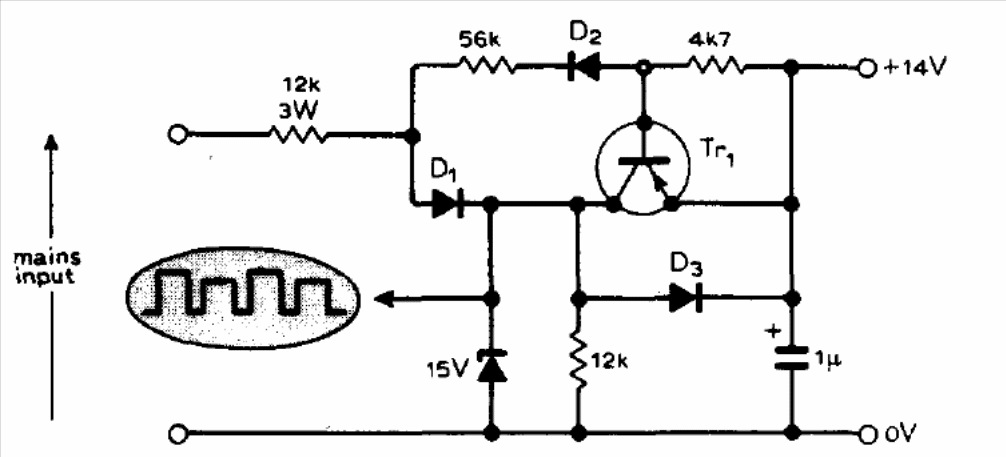
This circuit, found in a 1977 documentation, indicates when the grid voltage goes through zero. Under these conditions, it produces an output pulse whose duration depends on the capacitor.
We found this circuit in the 1994 Linear Applications Handbook from National Semiconductor. The...
This circuit from an old Argentine publication shows how it is possible to use a tunnel diode in a...
This circuit came out in a publication called Electronics Handbook of 1993. The circuit triggers an...