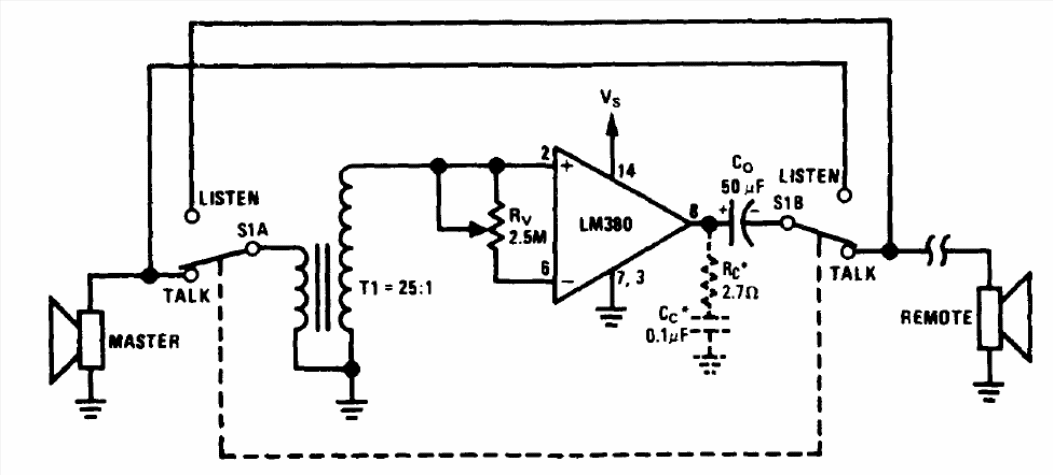
This intercom with wires up to 30 meters separation between the stations is from the Linear Applications Handbook of the National Semiconductor of 1994. The circuit can be powered by voltages from 9 to 14 V with a source of at least 1.5 A. The transformer can be the type of output found on old transistor radios.




