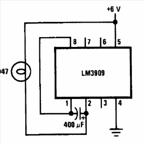
In the figure we have the way to use the low consumption flasher LM3909 with 6 V supply to excite a small incandescent lamp of the same voltage. The circuit is suggested by National Semiconductor in technical documentation on the component.

In the figure we have the way to use the low consumption flasher LM3909 with 6 V supply to excite a small incandescent lamp of the same voltage. The circuit is suggested by National Semiconductor in technical documentation on the component.
