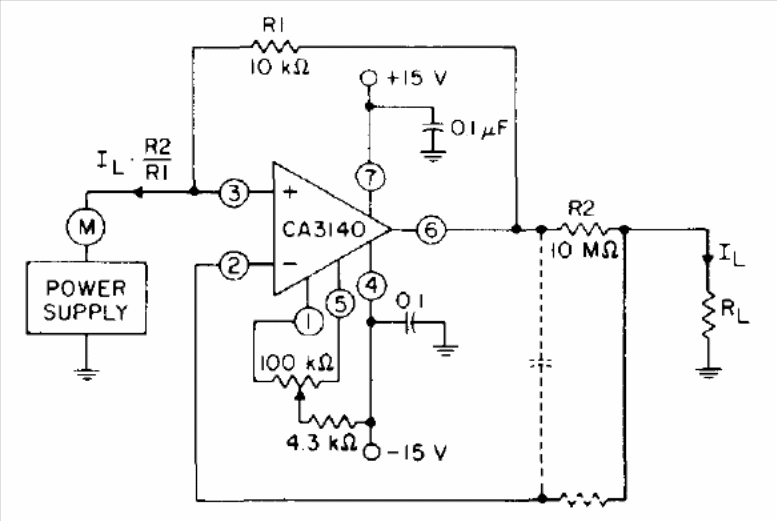
We found this circuit in the 1977 RCA Solid State ICs. The circuit consists of a current amplifier with a gain of 1000. The supply must be made from a symmetrical source.
The output current of this power supply depends on the power transistor and the transformer and...
This voltage inverter uses a small transformer. The circuit was found in the April 1995 issue of...
This 1969 Popular Electronics circuit was based on the then recently released BC109, today with...