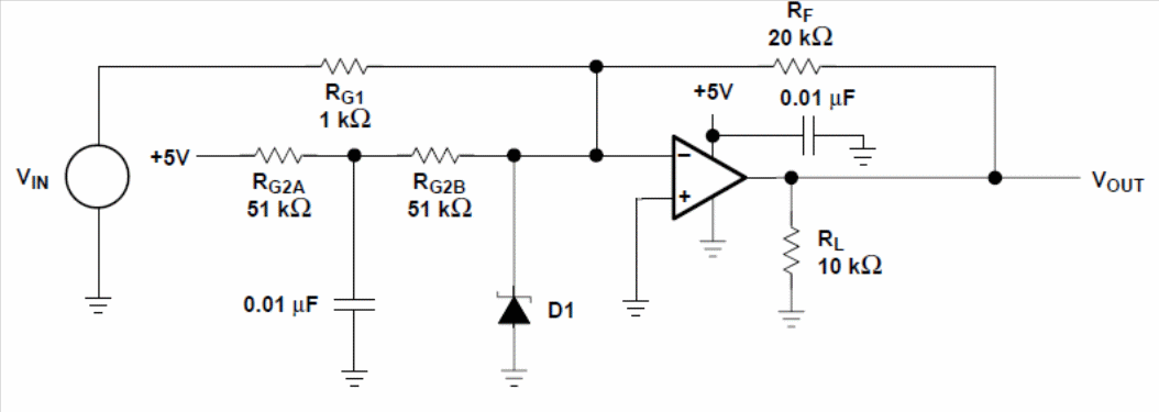
We found this circuit in a technical documentation from Texas Instruments. The circuit can be applied to any operational and the gain is given by the relationship between RF and RG. The input impedance is 1k ohms.
We found this circuit in a technical documentation from Texas Instruments. The circuit can be applied to any operational and the gain is given by the relationship between RF and RG. The input impedance is 1k ohms.