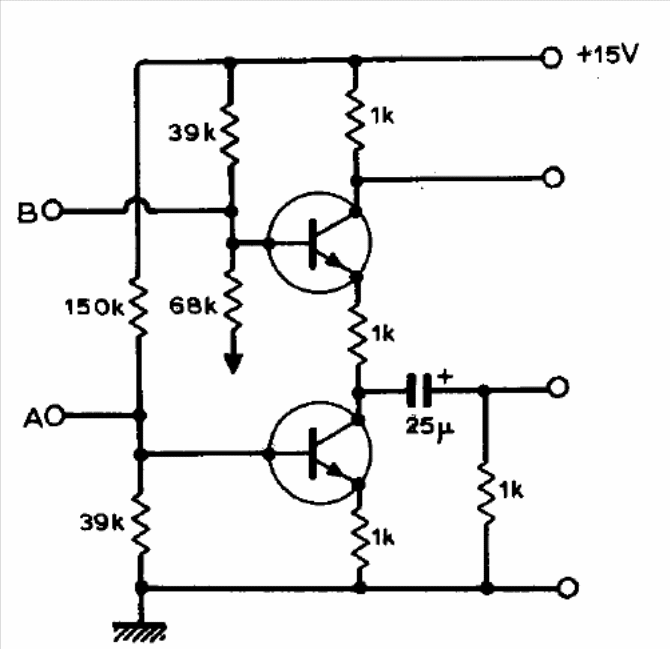
The circuit transistors, found in a 1974 documentation, may be the BC548. The circuit is used in quadriphonic systems to combine signals.
This circuit, from a publication in the 1970s, uses transistors that no longer exist, but can be...
Indicated as a joke or challenge this circuit shows how it is possible to control two lamps using...
Found in a 1960s RCA documentation, this circuit applies to most common triacs. The trigger device is a...