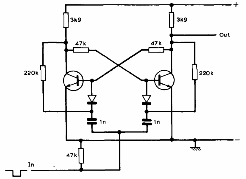
This flip-flop was found in an old documentation, being able to use transistors of general use like BC548 and general-purpose diodes like 1N4148. The supply can be done with voltages from 9 to 12 V. Note that the circuit trips with the negative transition of the input signal.




