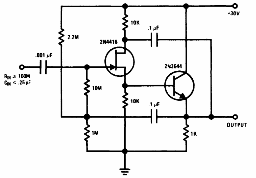
This two-stage amplifier has an input impedance of 100 M ohms and a unit voltage gain. It can be implemented with a BF245 and a BC548. The circuit is from the 1994 Linear Applications Handbook by National Semiconductor.
This two-stage amplifier has an input impedance of 100 M ohms and a unit voltage gain. It can be implemented with a BF245 and a BC548. The circuit is from the 1994 Linear Applications Handbook by National Semiconductor.