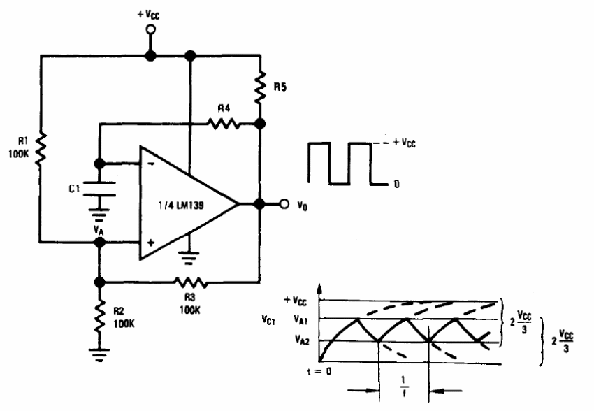
We found this circuit in the Linear Applications Handbook by National Semiconductor. The circuit uses one of the LM139's four comparators and does not need a symmetrical source. The frequency depends on R4, R5 and the capacitor.
We found this circuit in the Linear Applications Handbook by National Semiconductor. The circuit uses one of the LM139's four comparators and does not need a symmetrical source. The frequency depends on R4, R5 and the capacitor.