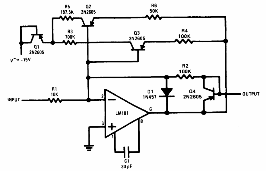
We found this circuit in the Linear Applications Handbook of the National Semiconductor from 1994. The circuit can be implemented with other operational ones and the transistors can be more modern equivalents like the BC558. The source must be symmetrical, and the basic gain is determined by R4 and R6.




