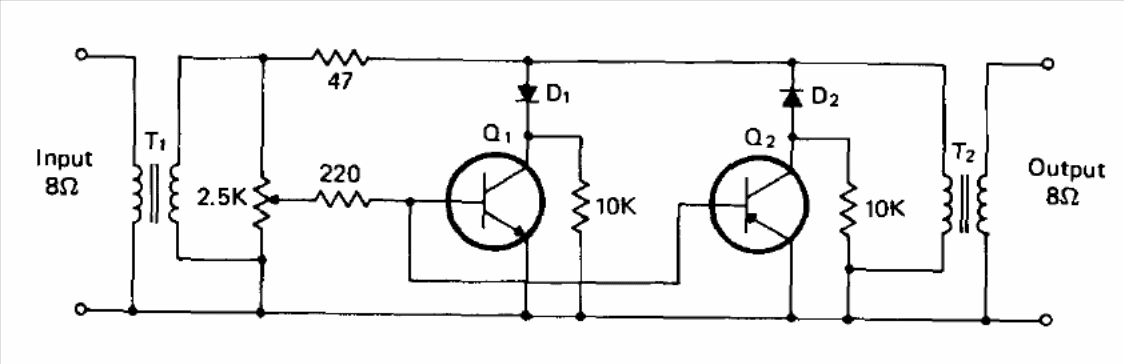
This circuit cuts or mows an AC signal without the need for power. The transistors can be 2N2222 and the diodes are 1N4148 or equivalent. The transformers are the type used in the radio output transistors. The configuration is from 1976 documentation, being used to avoid noise spikes in audio signals.




