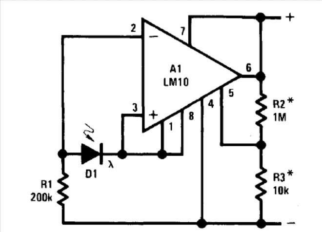
The circuit presented is from the Linear Applications Handbook of the National Semiconductor of 1994. The circuit makes use of an unusual operational that is the LM10, but the configuration can be adapted for equivalent operational ones.
The circuit presented is from the Linear Applications Handbook of the National Semiconductor of 1994. The circuit makes use of an unusual operational that is the LM10, but the configuration can be adapted for equivalent operational ones.