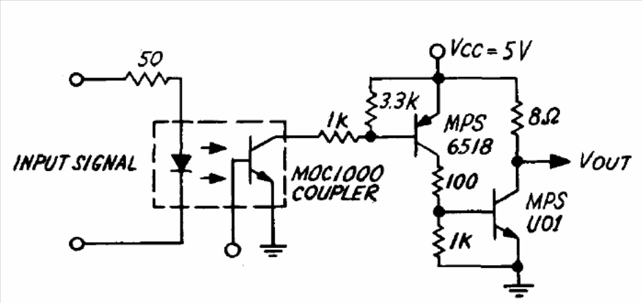
This pulse amplifier with optical isolator is from a Motorola manual from 1973. The transistors can be equivalent as the BC548 and BC558 and the optical isolator almost any type that uses a phototransistor. The circuit has an output compatible with TTL logic and can be used as a shield for microcontrollers.




